本文就龍口水電站發生的一起10.5kV配電系統交聯聚乙烯絕緣電纜終端頭絕緣擊穿引起發電機事故停機故障進行剖析,查找原因,制定防范措施,規范電力電纜終端頭施工工藝,以保障供電的可靠性。
交聯聚乙烯(XLPE絕緣)電纜結構簡單、電氣性能和耐熱性能穩定、抗腐蝕、機械強度高、傳輸容量較大、易于彎曲、附件接頭簡單、安裝敷設方便,具有聚氯乙烯(PVC絕緣)電纜無法比擬的優點。因此,交聯聚乙烯絕緣電纜廣泛應用于交流50Hz、額定電壓6~35kV的輸配電線路,主要功能是輸送電能。但是,在交聯聚乙烯絕緣電纜附件選用、安裝和電纜頭制作過程中,由于制作工藝不規范造成的電纜頭絕緣擊穿事故時有發生,影響了電力系統的供電可靠性。
一、事故經過
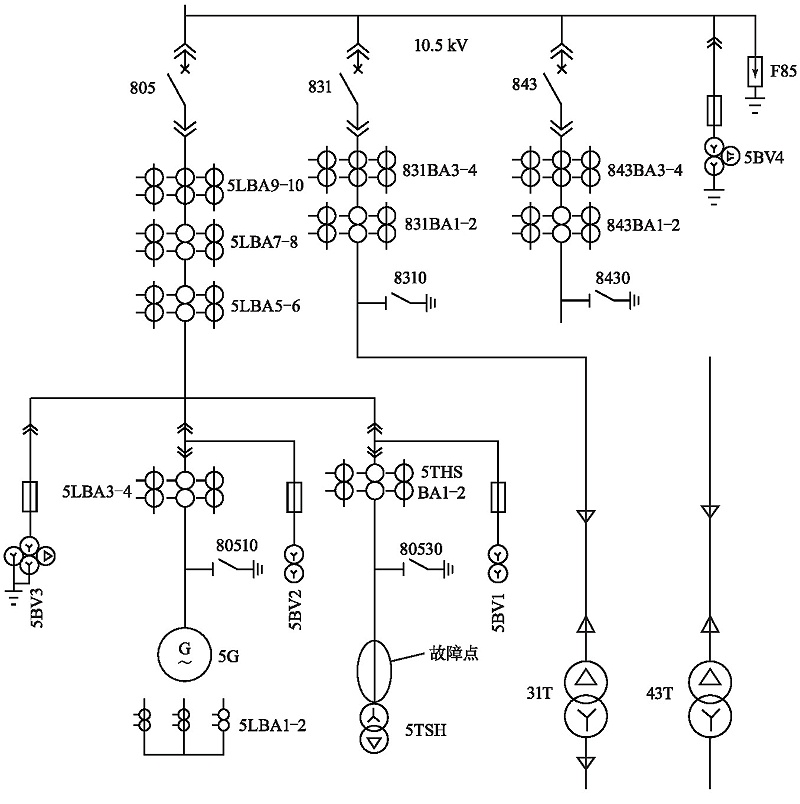
2017-04-01T09:56:07,龍口水電站5號發電機縱差保護動作,跳機組滅磁開關、跳機組出口805開關,機組監控系統執行事故停機流程后停機。事故前接線方式如圖1所示。
二、原因查找
查閱5號發電機保護裝置故障記錄文件,顯示5號發電機故障初始階段為B相單相接地,隨后發展成A、B相間短路,經過15ms故障快速發展成A、B、C三相短路,發電機差動保護正確動作。結合勵磁變高壓側三相電流波形分析,判斷故障點在勵磁變高壓側區域。
去現場檢查,發現5號機機壓配電室內有大量濃煙,并有焦糊味;5號發電機勵磁變5TSH配電柜(5G8)后門變形,柜后兩側及底部有放電痕跡,部分螺栓有輕微燒損,如圖2所示。系統轉檢修后,打開5G8柜柜門進行檢查,發現5G8盤柜內5號機組勵磁變高壓側電纜冷縮終端B相主絕緣擊穿對地放電,B相電纜對地絕緣電阻測試為0,A、C相對地絕緣正常。
三、事故搶修
事故原因確定后,迅速展開搶修工作。首先,根據該電纜敷設路徑及長度,將故障點以下20cm切除。當時庫存沒有10kV電纜冷縮終端附件,于是由熱縮電纜終端替代原冷縮終端,重新制作電纜頭。同時,對5G8盤柜進行清理,對柜內由于放電弧光造成燒損的二次線、螺栓進行了更換。從故障發生到設備重新投運共歷時22.5h。
圖1事故前接線方式
四、原因分析
4.1直接原因
5G8柜內5號機組勵磁變高壓電纜冷縮終端B相絕緣擊穿對地放電,產生的電弧引起弧光短路,發電機差動保護動作,造成5號發電機事故停機解列。
4.2根本原因
5號機組勵磁變高壓電纜冷縮終端頭制作工藝不規范,內部存在缺陷,長時間的局部放電造成電纜絕緣老化,終導致電纜頭絕緣擊穿。
五、機理分析
如圖3所示,對故障電纜的終端頭拆開進行檢查,發現如下問題:
圖2故障點盤柜后門變形、放電痕跡
(1)半導體層切斷處斷口不平整、光滑,臺階處未做成坡形,導致半導體切口處電場畸變,容易發生放電。
(2)電纜主絕緣未打磨光滑,有半導體層殘留,且切口處可以觀察到刀痕,使電纜主絕緣下降,受傷處擊穿電壓下降,容易在薄弱處發生擊穿。
(3)半導體屏蔽層斷口處未加裝應力管,導致斷口處的電場應力(電力線)較集中,沒有有效改變斷口處的電場分布。
(4)半導體層外露尺寸超過制作要求,影響了電纜對地的爬電距離,對地泄漏電流增大,長期運行容易引起發熱,導致絕緣逐步老化。
(5)半導體層劃傷,存在氣隙,氣隙處產生局部放電,雖然不會立即導致整個絕緣介質的擊穿,但是氣隙內部會逐步形成電“樹枝”,并向縱向發展,使得絕緣發生老化,直至發生絕緣電擊穿或熱擊穿。
圖3故障電纜
六、防范措施
鑒于此次10kV交聯聚乙烯電力電纜終端頭因施工工藝不規范而發生絕緣擊穿的事故,在以后的工作中,不僅要嚴把工藝關,還應注意后期的維護和狀態監測。對此提出以下防范措施和注意事項:
(1)電力電纜附件的質量是決定整個電纜安全穩定運行的關鍵所在,因此,在選取電纜及其附件時,要把好質量關,不能讓質量存在問題的電纜設備應用到工程中。
(2)加強電纜施工作業的過程管理。安裝過程中出現的問題很多都是現場管理上的問題,因此,在施工過程中,首先要嚴格管控工作人員的施工工藝和作業流程,其次施工前要編制相關的安裝標準和方案,就是對施工環境進行規劃,做好作業區域防水、防塵等保護措施。
(3)強化電纜頭的制作工藝。其實在眾多的電纜絕緣擊穿、電纜爆炸等事故中,大多是由于施工工藝不規范造成的,因此在電纜制作時要注意以下幾點:1)嚴格按照規范要求尺寸切剝電纜,且在切剝的過程中,不可傷及每一層的結構;2)銅屏蔽(外屏蔽)層要用附件中提供的專用不銹鋼箍帶扎好,斷口處不得產生毛刺或尖角;3)半導體斷面要有倒角,且表面平整、光滑,保證與主絕緣層平滑過渡;4)電纜主絕緣層上不得有半導體殘留和刀痕,必要時可用細砂紙進行打磨,用酒精濕巾擦拭干凈;5)主絕緣和半導體層切口處均要涂抹絕緣硅脂,用以填充氣隙和排除氣體。
(4)注重電纜投運后的維護和監視。嚴格按照規程對電纜進行預防性試驗,掌握電纜的運行工況,另外采用紅外成像、紫外成像、局部放電測試等手段定期對電纜進行檢測,對設備的運行狀態進行評估,預防事故的發生。
七、結語
電纜終端是電纜絕緣的薄弱環節,是電纜故障的多發部位,因此要嚴格把控電纜頭的制作工藝,做好施工過程的跟蹤和管理,并對驗收環節的試驗進行現場見證,保證電纜的電氣性能達標;還應利用紅外成像(發熱檢測)和紫外成像(放電檢測)定期對電纜進行檢測,了解設備的運行狀況,減少類似事故的發生。另外,事故發生時,電能的集中大量釋放會導致盤柜變形,若此時有人員與盤柜距離較近,可能造成人身傷害,這就證明了現場設定警戒區的必要性,即所有進入現場的人員,非因工作必需,不得進入黃色警戒線以內。(end)
河南太平洋線路有限公司作為鄭州電纜廠,長期為新老用戶提供35kV及以下高壓電力,低壓電纜, 控制電纜,架空電纜,家裝電線,礦物絕緣電纜,布電線,鋁合金電纜等,型號豐富,廠家直供,國標保檢,廣泛應用于發電站,礦工企業,建筑工程,房地產項目,電力工程,市政工程,重要工程項目等,歡迎新老用戶合作采購,支持定制定做!15838252668
免責聲明:以上內容及圖片部分來源于網絡,版權歸原作者所有。如有侵權請聯系我們刪除。
400電話